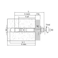
Goujons d’ancrage sismique - Réf. 75350B1615000
- Référence75350B1615000
- FabricationFrançaise
- MatériauAcier trempé (classe 9.8),
Bague d'expansion en inox A4 pour une adhérence maximale sur les parois du perçage. - MarqueSIMPSON Strong-Tie
- Ouverture de clés sur plat [SW]24mm
- Catégorie de performance sismiqueC1/C2
- Epaisseur maximale pièce à fixer [tfix,max] avec profondeur d’ancrage standard [hef,STD]30mm
- Epaisseur maximale [tfix,max] pièce à fixer avec profondeur d’ancrage réduite [hef,RED]50mm
- Diamètre maximal du trou de la pièce à fixer (df)18mm
- Diamètre perçage [do] x profondeur [h1] dans le support avec la profondeur d’ancrage standard [hef,STD]16 x 115mm
- Diamètre perçage [do] x profondeur [h1] dans le support avec la profondeur d’ancrage réduite [hef,RED]16 x 95mm
- Profondeur d’ancrage standard [hef,STD]86mm
- Profondeur d’ancrage réduite [hef, RED]66mm
- Couple de pose [Tinst]120Nm
- Distance au bord caractéristique [mm]120mm
- Epaisseur minimale du support [mm]170mm
- Entraxe entre les perçages120mm
- RevêtementSpécial anti-corrosion 3DG finition brillante
Goujon d’ancrage sismique - FM-753 CRACK 3DG
Le goujon d’ancrage FM-753 CRACK 3DG est un système de fixation par expansion pour charges lourdes sur béton fissuré et non fissuré, pour le transfert de charges sismiques (C1 et C2) en intérieur ou extérieur.
Caractéristiques
Matière
- Acier trempé (classe 9.8),
- Revêtement spécial anti-corrosion 3DG finition brillante,
- Bague d’expansion en inox A4 pour une adhérence maximale sur les parois du perçage.
Avantages
Gains de temps :
- Expansion immédiate,
- Montage au travers de l’élément à fixer, Ø de perçage = Ø de cheville,
- Ecrou et rondelle prémontés.
Performances :
- Charges sismiques et dynamiques,
- Performances sismiques C1 et C2,
- Neufs dents inox pour une plus grande adhérence aux parois du perçage,
- Résistance au feu R120,
- Distances au bord et entraxes mini faibles.
Application
Domaines d’utilisation
- Fixations structurelle avec disposition parasismiques,
- Façades,
- Garde-corps,
- Equerres de bardage ITE, sabots de charpente,
- Charges statiques ou quasi-statiques.
Supports
- Béton fissuré,
- Béton non fissuré,
- Environnement sismique correspondant aux catégories C1 et C2.
Dimensions
| Références | Référence produit | Dimensions [ØxL] [mm] | Catégorie sismique | Ep. max [tfix,max] pce à fixer avec prof. d’ancrage standard [hef,STD] [mm] | Ep. max [tfix,max] pce à fixer avec prof. d’ancrage réduite [hef,RED] [mm] | Ø max perçage pce à fixer [df] [mm] | Ø perçage [do] x profondeur [h1] dans le support avec la profondeur d’ancrage standard [hef,STD] [mm] | Ø perçage [do] x profondeur [h1] dans le support avec la profondeur d’ancrage réduite [hef,RED] [mm] | Profondeur d’ancrage standard [hef,STD] [mm] | Profondeur d’ancrage réduite [hef, RED] |
|---|---|---|---|---|---|---|---|---|---|---|
| 75350B0807500 | FM-753 CRACK 3DG | M8x75 | C1 | 10 | 24 | 9 | 8x70 | 8x56 | 48 | 34 |
| 75350B0809000 | FM-753 CRACK 3DG | M8x90 | C1 | 25 | 39 | 9 | 8x70 | 8x56 | 48 | 34 |
| 75350B1009000 | FM-753 CRACK 3DG | M10x90 | C1/C2 | 10 | 30 | 12 | 10x80 | 10x60 | 60 | 40 |
| 75350B1010500 | FM-753 CRACK 3DG | M10x105 | C1/C2 | 25 | 45 | 12 | 10x80 | 10x60 | 60 | 40 |
| 75350B1011500 | FM-753 CRACK 3DG | M10x115 | C1/C2 | 35 | 55 | 12 | 10x80 | 10x60 | 60 | 40 |
| 75350B1013500 | FM-753 CRACK 3DG | M10x135 | C1/C2 | 55 | 75 | 12 | 10x80 | 10x60 | 60 | 40 |
| 75350B1015500 | FM-753 CRACK 3DG | M10x155 | C1/C2 | 75 | 95 | 12 | 10x80 | 10x60 | 60 | 40 |
| 75350B1211000 | FM-753 CRACK 3DG | M12x110 | C1/C2 | 10 | 30 | 14 | 12x100 | 12x80 | 72 | 52 |
| 75350B1212000 | FM-753 CRACK 3DG | M12x120 | C1/C2 | 20 | 40 | 14 | 12x100 | 12x80 | 72 | 52 |
| 75350B1214500 | FM-753 CRACK 3DG | M12x145 | C1/C2 | 45 | 65 | 14 | 12x100 | 12x80 | 72 | 52 |
| 75350B1220000 | FM-753 CRACK 3DG | M12x200 | C1/C2 | 100 | 120 | 14 | 12x100 | 12x80 | 72 | 52 |
| 75350B1615000 | FM-753 CRACK 3DG | M16x150 | C1/C2 | 30 | 50 | 18 | 16x115 | 16x95 | 86 | 66 |
| 75350B1622000 | FM-753 CRACK 3DG | M16x220 | C1/C2 | 100 | 120 | 18 | 16x115 | 16x95 | 86 | 66 |
Valeurs de calcul - 1 ancrage - Pas de distance aux bords - Béton non fissuré
| Références | Référence produit | Dimensions [ØxL] [mm] | Valeurs de calcul - Béton non-fissuré (3) | ||||||||
|---|---|---|---|---|---|---|---|---|---|---|---|
| Traction - NRd (1) | Cisaillement - VRd (1-2) | Moment de flexion MRd [Nm] | |||||||||
| C20/25 [kN] | C30/37 [kN] | C40/50 [kN] | C50/60 [kN] | C20/25 [kN] | C30/37 [kN] | C40/50 [kN] | C50/60 [kN] | ||||
| 75350B0807500 | FM-753 CRACK 3DG | M8x75 | 6 | - | - | - | 8.6 | - | - | - | - |
| 75350B0809000 | FM-753 CRACK 3DG | M8x90 | 6 | - | - | - | 8.6 | - | - | - | - |
| 75350B1009000 | FM-753 CRACK 3DG | M10x90 | 10.7 | - | - | - | 16.1 | - | - | - | - |
| 75350B1010500 | FM-753 CRACK 3DG | M10x105 | 10.7 | - | - | - | 16.1 | - | - | - | - |
| 75350B1011500 | FM-753 CRACK 3DG | M10x115 | 10.7 | - | - | - | 16.1 | - | - | - | - |
| 75350B1013500 | FM-753 CRACK 3DG | M10x135 | 10.7 | - | - | - | 16.1 | - | - | - | - |
| 75350B1015500 | FM-753 CRACK 3DG | M10x155 | 10.7 | - | - | - | 16.1 | - | - | - | - |
| 75350B1211000 | FM-753 CRACK 3DG | M12x110 | 13.3 | - | - | - | 22.5 | - | - | - | - |
| 75350B1212000 | FM-753 CRACK 3DG | M12x120 | 13.3 | - | - | - | 22.5 | - | - | - | - |
| 75350B1214500 | FM-753 CRACK 3DG | M12x145 | 13.3 | - | - | - | 22.5 | - | - | - | - |
| 75350B1220000 | FM-753 CRACK 3DG | M12x200 | 13.3 | - | - | - | 22.5 | - | - | - | - |
| 75350B1615000 | FM-753 CRACK 3DG | M16x150 | 23.3 | - | - | - | 44.3 | - | - | - | - |
| 75350B1622000 | FM-753 CRACK 3DG | M16x220 | 23.3 | - | - | - | 44.3 | - | - | - | - |
1. Les charges publiées sont calculées à partir des coefficients partiels de sécurité issus des ETE. Ces charges sont calculées pour du béton non armé et du béton armé standard dont les fers sont espacés de s ≥ 15 cm (tous diamètres) ou de s ≥ 10 cm, si leur diamètre est inférieur ou égal à 10 mm.
2. Les charges au cisaillement sont indiquées pour un ancrage seul sans tenir compte de la distance au bord de dalle. Pour les ancrages proches des bords (c ≤ max [10 hef ; 60d]), la rupture en bord de dalle doit être vérifiée conformément à l’ETAG001, annexe C, méthode A.
3. Le béton est considéré comme non fissuré lorsque la tension à l’intérieur du béton est égale à σL + σR ≤ 0. En l’absence de vérification détaillée, on prendra σR = 3 N/mm2 (σL correspond à la tension à l’intérieur du béton qui résulte de charges extérieures, y compris les charges des ancrages).
* Non couvert par l’ETE
Valeurs de calcul - 1 ancrage - Pas de distance aux bords - Béton fissuré
| Références | Référence produit | Dimensions [ØxL] [mm] | Valeurs de calcul- 1 ancrage - pas de distances aux bords. | ||||||||
|---|---|---|---|---|---|---|---|---|---|---|---|
| Valeurs de calcul - Béton fissuré (3) | Moment de flexion MRd [Nm] | ||||||||||
| Traction - NRd (1) | Cisaillement - VRd (1-2) | ||||||||||
| C20/25 [kN] | C30/37 [kN] | C40/50 [kN] | C50/60 [kN] | C20/25 [kN] | C30/37 [kN] | C40/50 [kN] | C50/60 [kN] | ||||
| 75350B0807500 | FM-753 CRACK 3DG | M8x75 | 4 | - | - | - | 7.63 | - | - | - | - |
| 75350B0809000 | FM-753 CRACK 3DG | M8x90 | 4 | - | - | - | 7.63 | - | - | - | - |
| 75350B1009000 | FM-753 CRACK 3DG | M10x90 | 8 | - | - | - | 16.1 | - | - | - | - |
| 75350B1010500 | FM-753 CRACK 3DG | M10x105 | 8 | - | - | - | 16.1 | - | - | - | - |
| 75350B1011500 | FM-753 CRACK 3DG | M10x115 | 8 | - | - | - | 16.1 | - | - | - | - |
| 75350B1013500 | FM-753 CRACK 3DG | M10x135 | 8 | - | - | - | 16.1 | - | - | - | - |
| 75350B1015500 | FM-753 CRACK 3DG | M10x155 | 8 | - | - | - | 16.1 | - | - | - | - |
| 75350B1211000 | FM-753 CRACK 3DG | M12x110 | 10.7 | - | - | - | 22.5 | - | - | - | - |
| 75350B1212000 | FM-753 CRACK 3DG | M12x120 | 10.7 | - | - | - | 22.5 | - | - | - | - |
| 75350B1214500 | FM-753 CRACK 3DG | M12x145 | 10.7 | - | - | - | 22.5 | - | - | - | - |
| 75350B1220000 | FM-753 CRACK 3DG | M12x200 | 10.7 | - | - | - | 22.5 | - | - | - | - |
| 75350B1615000 | FM-753 CRACK 3DG | M16x150 | 13.3 | - | - | - | 36 | - | - | - | - |
| 75350B1622000 | FM-753 CRACK 3DG | M16x220 | 13.3 | - | - | - | 36 | - | - | - | - |
1. Les charges publiées sont calculées à partir des coefficients partiels de sécurité issus des ETE. Ces charges sont calculées pour du béton non armé et du béton armé standard dont les fers sont espacés de s ≥ 15 cm (tous diamètres) ou de s ≥ 10 cm, si leur diamètre est inférieur ou égal à 10 mm.
2. Les charges au cisaillement sont indiquées pour un ancrage seul sans tenir compte de la distance au bord de dalle. Pour les ancrages proches des bords (c ≤ max [10 hef ; 60d]), la rupture en bord de dalle doit être vérifiée conformément à l’ETAG001, annexe C, méthode A.
3. Le béton est considéré comme non fissuré lorsque la tension à l’intérieur du béton est égale à σL + σR ≤ 0. En l’absence de vérification détaillée, on prendra σR = 3 N/mm2 (σL correspond à la tension à l’intérieur du béton qui résulte de charges extérieures, y compris les charges des ancrages).
* Non couvert par l’ETE
SIMPSON Strong-Tie
Une fiabilité et un service sans équivalent
Depuis son implantation en Europe en 1994, la société Simpson Strong-Tie est devenue une valeur sûre en matière de connecteurs grâce à un savoir-faire reconnu et une qualité de produits testés. Forte de ses années d’expériences, elle fait de la sécurité, de la fiabilité et du respect des règlementations en vigueur un engagement permanent.
Entraxes et distances aux bords
| Références | Référence produit | Dimensions [ØxL] [mm] | Distance au bord mini [cmin] [mm] | Distance entraxes mini [smin] [mm] | Distance au bord caractéristique [ccr,N] [mm] | Distance entraxes caractéristique [scr,N] [mm] |
|---|---|---|---|---|---|---|
| 75350B0807500 | FM-753 CRACK 3DG | M8x75 | 50 | 50 | 72 | 144 |
| 75350B0809000 | FM-753 CRACK 3DG | M8x90 | 50 | 50 | 72 | 144 |
| 75350B1009000 | FM-753 CRACK 3DG | M10x90 | 60 | 60 | 90 | 180 |
| 75350B1010500 | FM-753 CRACK 3DG | M10x105 | 60 | 60 | 90 | 180 |
| 75350B1011500 | FM-753 CRACK 3DG | M10x115 | 60 | 60 | 90 | 180 |
| 75350B1013500 | FM-753 CRACK 3DG | M10x135 | 60 | 60 | 90 | 180 |
| 75350B1015500 | FM-753 CRACK 3DG | M10x155 | 60 | 60 | 90 | 180 |
| 75350B1211000 | FM-753 CRACK 3DG | M12x110 | 70 | 70 | 110 | 220 |
| 75350B1212000 | FM-753 CRACK 3DG | M12x120 | 70 | 70 | 110 | 220 |
| 75350B1214500 | FM-753 CRACK 3DG | M12x145 | 70 | 70 | 110 | 220 |
| 75350B1220000 | FM-753 CRACK 3DG | M12x200 | 70 | 70 | 110 | 220 |
| 75350B1615000 | FM-753 CRACK 3DG | M16x150 | 85 | 80 | 120 | 258 |
| 75350B1622000 | FM-753 CRACK 3DG | M16x220 | 85 | 80 | 120 | 258 |
Données de montage
| Références | Référence produit | Dimensions [ØxL] [mm] | Ø perçage [d0] [mm] | Prof. min. de perçage [h1] [mm] | Ø perçage dans pièce à fixer (au travers) [df] [mm] | Ouverture de clé sur plat [SW] [mm] | Couple de serrage [Tinst] [Nm] | Prof. ancrage [hef] [mm] | Ep. mini du support [hmin] [mm] |
|---|---|---|---|---|---|---|---|---|---|
| 75350B0807500 | FM-753 CRACK 3DG | M8x75 | 8 | 70 | 9 | 13 | 20 | 48 | 100 |
| 75350B0809000 | FM-753 CRACK 3DG | M8x90 | 8 | 70 | 9 | 13 | 20 | 48 | 100 |
| 75350B1009000 | FM-753 CRACK 3DG | M10x90 | 10 | 80 | 12 | 17 | 40 | 60 | 120 |
| 75350B1010500 | FM-753 CRACK 3DG | M10x105 | 10 | 80 | 12 | 17 | 40 | 60 | 120 |
| 75350B1011500 | FM-753 CRACK 3DG | M10x115 | 10 | 80 | 12 | 17 | 40 | 60 | 120 |
| 75350B1013500 | FM-753 CRACK 3DG | M10x135 | 10 | 80 | 12 | 17 | 40 | 60 | 120 |
| 75350B1015500 | FM-753 CRACK 3DG | M10x155 | 10 | 80 | 12 | 17 | 40 | 60 | 120 |
| 75350B1211000 | FM-753 CRACK 3DG | M12x110 | 12 | 100 | 14 | 19 | 60 | 72 | 150 |
| 75350B1212000 | FM-753 CRACK 3DG | M12x120 | 12 | 100 | 14 | 19 | 60 | 72 | 150 |
| 75350B1214500 | FM-753 CRACK 3DG | M12x145 | 12 | 100 | 14 | 19 | 60 | 72 | 150 |
| 75350B1220000 | FM-753 CRACK 3DG | M12x200 | 12 | 100 | 14 | 19 | 60 | 72 | 150 |
| 75350B1615000 | FM-753 CRACK 3DG | M16x150 | 16 | 115 | 18 | 24 | 86 | 86 | 170 |
| 75350B1622000 | FM-753 CRACK 3DG | M16x220 | 16 | 115 | 18 | 24 | 86 | 86 | 170 |

















