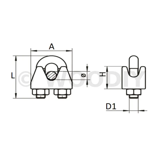
Le serre-câble à étrier permet principalement de réaliser une boucle d’extrémité d’un câble de manière solide, mais aussi de lier deux câbles entre eux.
DIN 741 est une norme allemande (Deutsches Institut für Normung) qui spécifie les caractéristiques et les dimensions des serre-câbles à étrier. Un "DIN similaire à 741" signifie généralement qu’un produit suit une norme ou une spécification qui est très proche ou conforme à la norme DIN 741, même s’il n’est pas explicitement certifié sous cette norme.
Voici les points clés concernant DIN 741 :
Type de produit : La norme DIN 741 spécifie les serre-câbles à étrier, utilisés pour fixer ou sécuriser des câbles.
Dimensions : La norme définit les dimensions standard des composants des serre-câbles, tels que les étriers et les écrous.
Matériaux : Les matériaux utilisés pour ces serre-câbles doivent également répondre à des exigences spécifiques de résistance et de durabilité.
Application : Les serre-câbles suivant cette norme sont souvent utilisés dans des applications industrielles et maritimes où une fixation sécurisée des câbles est essentielle.
Un produit "similaire à DIN 741" respecterait donc ces caractéristiques et dimensions, assurant une fonctionnalité et une compatibilité équivalentes, même si le produit n’est pas strictement certifié selon cette norme.
Mise en œuvre des serre-câbles
Monter les serre-câbles près de la cosse, et dans le cas de cosses arrondies, à une distance d’au moins deux fois la taille de la cosse.
Attacher les serre-câbles de manière à ce qu’il y ait au moins une largeur de câble entre chaque serre-câble.
Les barres de serrage doivent toujours être placées à l’extrémité du câble qui n’est pas sous contrainte.
Installer les serre-câbles à une distance minimale équivalente au double de la cosse dans le cas de cosses rondes.
Pour l’installation de plusieurs serre-câbles à proximité, interposer une distance minimale correspondant à la largeur du câble entre chacun.
Installer toujours les serre-câbles à l’extrémité du câble et avec le câble non en tension ou soumis à des charges.